Verdict Samsung Galaxy A17 4G
U kunt bijna geen smartphone met een AMOLED-scherm goedkoper krijgen dan de Samsung Galaxy A17 4G: U betaalt minder dan 200 euro voor de telefoon. Maar u moet het ook stellen zonder 5G-mogelijkheden en met 4 GB RAM, althans voor het basismodel. De batterijduur is ook vrij matig.
U zult geen al te complexe apps willen draaien op de relatief trage SoC. Desondanks verlopen de meeste dagelijkse taken probleemloos.
Het flexibele camerasysteem met groothoek- en macrocamera is ook ongebruikelijk, ook al hebben ze een zeer lage resolutie.
U moet leven met PWM flikkeringen op het scherm en u moet niet te hoge eisen stellen aan de Wi-Fi-snelheid.
Over het geheel genomen is de Samsung Galaxy A17 4G echter een ongewoon goed uitgeruste budgetsmartphone die zeker een kijkje waard is.
Pro
Contra
Prijs en beschikbaarheid
Bij amazon.com betaalt u ongeveer US$ 230 voor de smartphone.
Inhoudsopgave
- Verdict Samsung Galaxy A17 4G
- Specificaties
- Behuizing en functies - kunststof en Gorilla Glass
- Communicatie en bediening - LTE-telefoon met vingerafdruksensor
- Software en duurzaamheid - 6 jaar updates?
- Camera's - Ongewoon flexibel
- Beeldscherm - Helder 90 Hz AMOLED
- Prestaties, emissies en batterijduur - redelijk snel
- Notebookcheck algemene beoordeling
- Mogelijke alternatieven in vergelijking
Specificaties
Top 10 Testrapporten
» Top 10 Multimedia Notebooks
» Top 10 Gaming-Notebooks
» Top 10 Budget Gaming Laptops
» Top 10 Lichtgewicht Gaming-Notebooks
» Top 10 Premium Office/Business-Notebooks
» Top 10 Budget Office/Business-Notebooks
» Top 10 Workstation-Laptops
» Top 10 Subnotebooks
» Top 10 Ultrabooks
» Top 10 Notebooks tot €300
» Top 10 Notebooks tot €500
» Top 10 Notebooks tot € 1.000De beste notebookbeeldschermen zoals getest door Notebookcheck
» De beste notebookbeeldschermen
» Top Windows Alternatieven voor de MacBook Pro 13
» Top Windows Alternatieven voor de MacBook Pro 15
» Top Windows alternatieven voor de MacBook 12 en Air
» Top 10 best verkopende notebooks op Amazon
» Top 10 Convertible Notebooks
» Top 10 Tablets
» Top 10 Tablets tot € 250
» Top 10 Smartphones
» Top 10 Phablets (>90cm²)
» Top 10 Camera Smartphones
» Top 10 Smartphones tot €500
» Top 10 best verkopende smartphones op Amazon
Behuizing en functies - kunststof en Gorilla Glass
De behuizing van de Samsung Galaxy A17 4G is opnieuw ontworpen, slanker geworden en 10 gram lichter dan die van zijn voorganger.
De gehele behuizing is van plastic, maar ziet er stevig uit en heeft een strakke afwerking. De achterkant reflecteert lichtjes het omgevingslicht, maar het algemene ontwerp is vrij eenvoudig. De camera's zijn gecombineerd in een ovale module. Het scherm wordt beschermd door Gorilla Glass Victus, een zeldzaamheid in deze prijsklasse.
Ons testtoestel wordt geleverd met 4 GB RAM en 128 GB massaopslag. Er is ook een model met 8 GB RAM en 256 GB opslag, het prijsverschil is ongeveer 30 euro.
Wij vinden het fijn dat NFC beschikbaar is, bijvoorbeeld voor mobiele betaaldiensten.
Er kan geen eSIM worden gebruikt, maar er zijn twee nano-SIM-sleuven beschikbaar. Eén daarvan kan ook worden gebruikt voor een microSD-kaart, waarmee het geheugen met maximaal 2 TB kan worden uitgebreid. In onze test werkte de lezer redelijk snel en met redelijk stabiele overdrachtsnelheden.
| SD Card Reader - average JPG Copy Test (av. of 3 runs) | |
| Samsung Galaxy A17 5G (Angelbird V60) | |
| Samsung Galaxy A16 4G (Angelbird V60) | |
| Samsung Galaxy A17 4G | |
| Xiaomi Redmi 15C 5G (Angelbird V60) | |
| Gemiddelde van klas Smartphone (5.72 - 58.9, n=69, laatste 2 jaar) | |
| Motorola Moto G15 (Angelbird V60) | |
Platformoverschrijdende schijftest (CPDT)
Communicatie en bediening - LTE-telefoon met vingerafdruksensor
U moet het doen zonder 5G mobiele communicatie en er zijn ook niet al te veel frequentiebanden beschikbaar in het LTE-netwerk.
De ontvangst is niet altijd optimaal bij verschillende steekproeven tijdens onze test, maar valt zelden helemaal uit.
In Wi-Fi kan de telefoon hooguit de WiFi 5 standaard gebruiken. Dit betekent dat gegevenssnelheden van rond de 300 MBit/s redelijk stabiel worden gehaald.
Het scherm kan tot 90 frames per seconde weergeven en reageert daarom vrij snel op invoer. Het touchscreen kan nauwkeurig worden bediend.
Een vingerafdruksensor is geïntegreerd in de stand-by knop aan de rechterkant van de behuizing, die de telefoon betrouwbaar en met weinig wachttijd ontgrendelt. Biometrische ontgrendeling via gezichtsherkenning is ook mogelijk. Het werkt ook vrij snel en nauwkeurig bij goed omgevingslicht.
| Networking | |
| Samsung Galaxy A17 4G | |
| iperf3 transmit AXE11000 | |
| iperf3 receive AXE11000 | |
| Samsung Galaxy A17 5G | |
| iperf3 transmit AXE11000 | |
| iperf3 receive AXE11000 | |
| Xiaomi Redmi 15C 5G | |
| iperf3 transmit AXE11000 | |
| iperf3 receive AXE11000 | |
| Samsung Galaxy A16 4G | |
| iperf3 transmit AXE11000 | |
| iperf3 receive AXE11000 | |
| Motorola Moto G15 | |
| iperf3 transmit AXE11000 | |
| iperf3 receive AXE11000 | |
| Gemiddeld 802.11 a/b/g/n/ac | |
| iperf3 transmit AXE11000 | |
| iperf3 receive AXE11000 | |
| Gemiddelde van klas Smartphone | |
| iperf3 transmit AXE11000 | |
| iperf3 receive AXE11000 | |
Software en duurzaamheid - 6 jaar updates?
Android 15 is vooraf geïnstalleerd op het toestel, met daarbovenop Samsung's OneUI, dat het besturingssysteem aanzienlijk verandert.
De Galaxy A17 4G zal updates ontvangen tot 2031, d.w.z. tot zes jaar na de lancering, en nieuwe versies van het besturingssysteem zullen gedurende deze periode beschikbaar zijn. Samsung beperkt dit echter op zijn website met de toevoeging "tot" en andere juridische clausules. U kunt dus niet volledig vertrouwen op deze grote belofte.
De Galaxy A17 4G is verpakt in papier. Slechts 1,4% van het product bestaat uit gerecycled materiaal. Er is tenminste een zelfhersteldatabase waarin Samsung reserveonderdelen aanbiedt.
Camera's - Ongewoon flexibel
Aan de camera's is niets veranderd ten opzichte van de Galaxy A16 4Gmaar die was al zeer goed uitgerust: Naast de 50-megapixel hoofdcamera is er ook een groothoeklens en een macrolens. Beide hebben een lage resolutie, maar het camerasysteem is nog steeds vrij flexibel.
De hoofdcamera maakt redelijke foto's met koele kleuren. Details zijn niet altijd gemakkelijk te herkennen. Het omringende beeld lijkt hier en daar ook wat wazig. Bij weinig licht en sterke contrasten is de helderheid vrij goed en kunt u op de meeste plaatsen nog details onderscheiden.
Video's kunnen worden opgenomen met een maximum van 1080p en 30 fps. Het detailniveau is behoorlijk, maar de autofocus is soms te langzaam.
Het beeld van de groothoekcamera ziet er vrij grof uit. De camera aan de voorkant neemt fatsoenlijke selfies met een goed detailniveau.
Beeldvergelijking
Bekijk een scène en navigeer binnen het eerste beeld. Eén klik wijzigt het zoomniveau. Eén klik op het ingezoomde beeld opent het origineel in een nieuw venster. Het eerste beeld toont de verschaalde foto van het testtoestel.
Hauptkamera PflanzeHauptkamera UmgebungHauptkamera LowLightWeitwinkel

Beeldscherm - Helder 90 Hz AMOLED
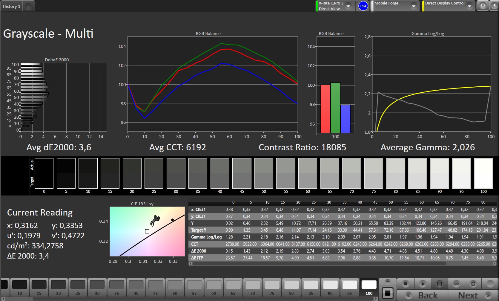
Het AMOLED-scherm van de Galaxy A17 is een zeldzaamheid in de prijsklasse onder de 200 euro. Het scherm is vrij helder met tot 687 cd/m².
De kleurweergave is ook aangenaam met slechts kleine afwijkingen die met het blote oog nauwelijks zichtbaar zijn.
Het beeld ziet er vrij scherp uit en de kleuren zijn levendig.
U moet echter ook PWM flikkeringen accepteren bij lage helderheidsniveaus.
| |||||||||||||||||||||||||
Helderheidsverdeling: 93 %
Helderheid in Batterij-modus: 687 cd/m²
Contrast: ∞:1 (Zwart: 0 cd/m²)
ΔE ColorChecker Calman: 3.45 | ∀{0.5-29.43 Ø4.78}
ΔE Greyscale Calman: 3.6 | ∀{0.09-98 Ø5}
99.8% sRGB (Calman 2D)
Gamma: 2.026
CCT: 6192 K
| Samsung Galaxy A17 4G AMOLED, 2340x1080, 6.7" | Samsung Galaxy A17 5G AMOLED, 2340x1080, 6.7" | Xiaomi Redmi 15C 5G IPS, 1600x720, 6.9" | Samsung Galaxy A16 4G Super AMOLED, 2340x1080, 6.7" | Motorola Moto G15 IPS, 2400x1080, 6.7" | |
|---|---|---|---|---|---|
| Screen | 5% | 1% | 8% | 5% | |
| Brightness middle (cd/m²) | 687 | 691 1% | 591 -14% | 729 6% | 468 -32% |
| Brightness (cd/m²) | 666 | 672 1% | 557 -16% | 716 8% | 452 -32% |
| Brightness Distribution (%) | 93 | 92 -1% | 91 -2% | 95 2% | 86 -8% |
| Black Level * (cd/m²) | 0.51 | 0.3 | |||
| Colorchecker dE 2000 * | 3.45 | 3.15 9% | 3.25 6% | 3.14 9% | 2.07 40% |
| Colorchecker dE 2000 max. * | 5.49 | 4.41 20% | 6.77 -23% | 4.24 23% | 6.38 -16% |
| Greyscale dE 2000 * | 3.6 | 3.6 -0% | 1.6 56% | 3.6 -0% | 0.8 78% |
| Gamma | 2.026 109% | 2.041 108% | 2.299 96% | 2.057 107% | 2.202 100% |
| CCT | 6192 105% | 6507 100% | 6967 93% | 6441 101% | 6607 98% |
| Contrast (:1) | 1159 | 1560 |
* ... kleiner is beter
Screen Flickering / PWM (Pulse-Width Modulation)
| Screen flickering / PWM waargenomen | 367 Hz Amplitude: 16 % | ||
De achtergrondverlichting van het scherm flikkert op 367 Hz (in het slechtste geval, bijvoorbeeld bij gebruik van PWM) . De frequentie van 367 Hz is relatief hoog en de meeste mensen die gevoelig zijn aan flickering zouden dit dus niet mogen waarnemen of geïrriteerde ogen krijgen. Er zijn echter rapporten die beweren dat sommige mensen toch flickering met 500 Hz en hoger kunnen waarnemen: opgelet dus. Ter vergelijking: 53 % van alle geteste toestellen maakten geen gebruik van PWM om de schermhelderheid te verlagen. Als het wel werd gebruikt, werd een gemiddelde van 8121 (minimum: 5 - maximum: 343500) Hz waargenomen. | |||
Responstijd Scherm
| ↔ Responstijd Zwart naar Wit | ||
|---|---|---|
| 2.5 ms ... stijging ↗ en daling ↘ gecombineerd | ↗ 1.2 ms stijging | |
| ↘ 1.3 ms daling | ||
| Het scherm vertoonde erg snelle responstijden in onze tests en zou zeer geschikt moeten zijn voor snelle games. Ter vergelijking: alle testtoestellen variëren van 0.1 (minimum) tot 240 (maximum) ms. » 12 % van alle toestellen zijn beter. Dit betekent dat de gemeten responstijd beter is dan het gemiddelde (20.2 ms) van alle geteste toestellen. | ||
| ↔ Responstijd 50% Grijs naar 80% Grijs | ||
| 2 ms ... stijging ↗ en daling ↘ gecombineerd | ↗ 1 ms stijging | |
| ↘ 1 ms daling | ||
| Het scherm vertoonde erg snelle responstijden in onze tests en zou zeer geschikt moeten zijn voor snelle games. Ter vergelijking: alle testtoestellen variëren van 0.165 (minimum) tot 636 (maximum) ms. » 8 % van alle toestellen zijn beter. Dit betekent dat de gemeten responstijd beter is dan het gemiddelde (31.6 ms) van alle geteste toestellen. | ||
Prestaties, emissies en batterijduur - redelijk snel
De MediaTek Helio G99 is een zeer populaire SoC in deze prijscategorie. Hij werkt meestal soepel, maar in meer veeleisende situaties kunnen er wachttijden optreden.
De prestaties liggen beduidend onder het 5G-model van de Galaxy A17, maar zijn verder op hetzelfde niveau als bij modellen met een vergelijkbare prijs. Het UFS 2.2-geheugen werkt vrij snel, maar is eigenlijk langzamer dan in de voorganger, wat alleen verklaard kan worden door een andere geheugencontroller of softwarematige throttling.
De telefoon warmt op tot maximaal 44,4 °C bij langdurige belasting, wat merkbaar maar niet kritisch is. De telefoon geeft in het gunstigste geval ook minimaal gas na langdurig gebruik.
De enkele luidspreker aan de onderkant klinkt beter dan zijn voorganger, nog steeds goed op maximaal volume en niet meer zo treble-heavy. U kunt dus zeker luisteren naar popmuziek of soundtracks van films. Er zijn USB- of Bluetooth-aansluitingen beschikbaar voor externe audioapparaten. Er zijn echter relatief weinig audiocodecs voor draadloze overdracht.
De 5.000 mAh batterij is dezelfde als in de Galaxy A16 4G en de looptijden zijn slechts een klein beetje anders. De Samsung Galaxy A17 4G gaat ongeveer 13 uur mee in onze WiFi-batterijtest, wat een van zijn zwakke punten in vergelijking met andere telefoons blootlegt.
| Samsung Galaxy A17 4G | Samsung Galaxy A17 5G | Xiaomi Redmi 15C 5G | Samsung Galaxy A16 4G | Motorola Moto G15 | Gemiddeld 128 GB eMMC Flash | Gemiddelde van klas Smartphone | |
|---|---|---|---|---|---|---|---|
| AndroBench 3-5 | -1% | 181% | 179% | -3% | -16% | 476% | |
| Sequential Read 256KB (MB/s) | 518.6 | 528.2 2% | 509.9 -2% | 942.8 82% | 287.7 -45% | 300 ? -42% | 2223 ? 329% |
| Sequential Write 256KB (MB/s) | 172.6 | 170.7 -1% | 512.1 197% | 710.8 312% | 228.5 32% | 195.1 ? 13% | 1838 ? 965% |
| Random Read 4KB (MB/s) | 141.1 | 134.7 -5% | 196.3 39% | 208.8 48% | 65.2 -54% | 85.9 ? -39% | 295 ? 109% |
| Random Write 4KB (MB/s) | 55.9 | 56.4 1% | 329 489% | 208.1 272% | 87.4 56% | 58.1 ? 4% | 335 ? 499% |
(±) De maximumtemperatuur aan de bovenzijde bedraagt 44.4 °C / 112 F, vergeleken met het gemiddelde van 35.2 °C / 95 F, variërend van 21.9 tot 247 °C voor de klasse Smartphone.
(±) De bodem warmt op tot een maximum van 44.9 °C / 113 F, vergeleken met een gemiddelde van 34 °C / 93 F
(+) Bij onbelast gebruik bedraagt de gemiddelde temperatuur voor de bovenzijde 25.3 °C / 78 F, vergeleken met het apparaatgemiddelde van 32.9 °C / 91 F.
3DMark Stresstests
| 3DMark | |
| Wild Life Stress Test Stability | |
| Samsung Galaxy A17 4G | |
| Motorola Moto G15 | |
| Samsung Galaxy A17 5G | |
| Xiaomi Redmi 15C 5G | |
| Samsung Galaxy A16 4G | |
| Wild Life Extreme Stress Test | |
| Motorola Moto G15 | |
| Xiaomi Redmi 15C 5G | |
| Samsung Galaxy A17 4G | |
| Samsung Galaxy A16 4G | |
| Samsung Galaxy A17 5G | |
Samsung Galaxy A17 4G audioanalyse
(+) | luidsprekers kunnen relatief luid spelen (89 dB)
Bas 100 - 315 Hz
(-) | bijna geen lage tonen - gemiddeld 24% lager dan de mediaan
(±) | lineariteit van de lage tonen is gemiddeld (12.9% delta ten opzichte van de vorige frequentie)
Midden 400 - 2000 Hz
(±) | hogere middens - gemiddeld 6.1% hoger dan de mediaan
(+) | de middentonen zijn lineair (5.3% delta ten opzichte van de vorige frequentie)
Hoog 2 - 16 kHz
(±) | higher highs - on average 6.5% higher than median
(±) | lineariteit van de hoogtepunten is gemiddeld (9% delta ten opzichte van de vorige frequentie)
Algemeen 100 - 16.000 Hz
(±) | lineariteit van het totale geluid is gemiddeld (21.9% verschil met de mediaan)
Vergeleken met dezelfde klasse
» 44% van alle geteste apparaten in deze klasse waren beter, 8% vergelijkbaar, 48% slechter
» De beste had een delta van 11%, het gemiddelde was 35%, de slechtste was 134%
Vergeleken met alle geteste toestellen
» 62% van alle geteste apparaten waren beter, 7% gelijk, 31% slechter
» De beste had een delta van 4%, het gemiddelde was 24%, de slechtste was 134%
Motorola Moto G15 audioanalyse
(+) | luidsprekers kunnen relatief luid spelen (84.3 dB)
Bas 100 - 315 Hz
(-) | bijna geen lage tonen - gemiddeld 23.7% lager dan de mediaan
(±) | lineariteit van de lage tonen is gemiddeld (11.9% delta ten opzichte van de vorige frequentie)
Midden 400 - 2000 Hz
(±) | hogere middens - gemiddeld 5.3% hoger dan de mediaan
(+) | de middentonen zijn lineair (5.8% delta ten opzichte van de vorige frequentie)
Hoog 2 - 16 kHz
(+) | evenwichtige hoogtepunten - slechts 3.3% verwijderd van de mediaan
(+) | de hoge tonen zijn lineair (5.9% delta naar de vorige frequentie)
Algemeen 100 - 16.000 Hz
(±) | lineariteit van het totale geluid is gemiddeld (19.9% verschil met de mediaan)
Vergeleken met dezelfde klasse
» 32% van alle geteste apparaten in deze klasse waren beter, 8% vergelijkbaar, 61% slechter
» De beste had een delta van 11%, het gemiddelde was 35%, de slechtste was 134%
Vergeleken met alle geteste toestellen
» 50% van alle geteste apparaten waren beter, 7% gelijk, 43% slechter
» De beste had een delta van 4%, het gemiddelde was 24%, de slechtste was 134%
| Samsung Galaxy A17 4G 5000 mAh | Samsung Galaxy A17 5G 5000 mAh | Xiaomi Redmi 15C 5G 6000 mAh | Samsung Galaxy A16 4G 5000 mAh | Motorola Moto G15 5200 mAh | |
|---|---|---|---|---|---|
| Batterijduur | 2% | 43% | 16% | 31% | |
| WiFi v1.3 (h) | 13 | 13.2 2% | 18.6 43% | 15.1 16% | 17 31% |
| Reader / Idle (h) | 33.7 | 27.2 | 29.8 | ||
| H.264 (h) | 17.9 | 23.7 | 19.8 | ||
| Load (h) | 4.5 | 5.8 | 5.5 |
Notebookcheck algemene beoordeling
De Samsung Galaxy A17 4G is zeer goed uitgerust voor zijn prijsklasse.
De enige zwakke punten zijn de looptijden en de wankele updatebelofte.

Samsung Galaxy A17 4G
- 24-10-2025 v8
Florian Schmitt
Mogelijke alternatieven in vergelijking
Afbeelding | Model / recensie | prijs | Gewicht | Drive | Scherm |
|---|---|---|---|---|---|
| Samsung Galaxy A17 4G Mediatek Helio G99 ⎘ ARM Mali-G57 MP2 ⎘ 4 GB Geheugen, 128 GB eMMC | Amazon: $204.99 Catalogusprijs: 185€ | 190 g | 128 GB eMMC Flash | 6.70" 2340x1080 385 PPI AMOLED | |
| Samsung Galaxy A17 5G Samsung Exynos 1330 ⎘ ARM Mali-G68 MP2 ⎘ 4 GB Geheugen, 128 GB eMMC | Amazon: $212.70 Catalogusprijs: 209€ | 192 g | 128 GB eMMC Flash | 6.70" 2340x1080 385 PPI AMOLED | |
| Xiaomi Redmi 15C 5G Mediatek Dimensity 6300 ⎘ ARM Mali-G57 MP2 ⎘ 4 GB Geheugen, 128 GB UFS 2.1 | Amazon: 1. $7.99 Suttkue for Xiaomi Redmi 15C... 2. $3.59 Mr.Shield Screen Protector c... 3. $8.57 GANGANPRO 2 Pack Privacy Scr... Catalogusprijs: 170€ | 211 g | 128 GB UFS 2.2 Flash | 6.90" 1600x720 254 PPI IPS | |
| Samsung Galaxy A16 4G Mediatek Helio G99 ⎘ ARM Mali-G57 MP2 ⎘ 4 GB Geheugen, 128 GB UFS 2.1 | Amazon: $125.67 Catalogusprijs: 179€ | 200 g | 128 GB UFS 2.2 Flash | 6.70" 2340x1080 385 PPI Super AMOLED | |
| Motorola Moto G15 Mediatek Helio G81 ⎘ ARM Mali-G52 MP2 ⎘ 4 GB Geheugen, 128 GB eMMC | Amazon: $133.70 Catalogusprijs: 150€ | 190 g | 128 GB eMMC Flash | 6.72" 2400x1080 392 PPI IPS |
Transparantie
De selectie van te beoordelen apparaten wordt gemaakt door onze redactie. Het testexemplaar werd ten behoeve van deze beoordeling door de fabrikant of detailhandelaar in bruikleen aan de auteur verstrekt. De kredietverstrekker had geen invloed op deze recensie, noch ontving de fabrikant vóór publicatie een exemplaar van deze recensie. Er bestond geen verplichting om deze recensie te publiceren. Als onafhankelijk mediabedrijf is Notebookcheck niet onderworpen aan het gezag van fabrikanten, detailhandelaren of uitgevers.
[transparency_disclaimer]Dit is hoe Notebookcheck test
Elk jaar beoordeelt Notebookcheck onafhankelijk honderden laptops en smartphones met behulp van gestandaardiseerde procedures om ervoor te zorgen dat alle resultaten vergelijkbaar zijn. We hebben onze testmethoden al zo'n 20 jaar voortdurend ontwikkeld en daarbij de industriestandaard bepaald. In onze testlaboratoria wordt gebruik gemaakt van hoogwaardige meetapparatuur door ervaren technici en redacteuren. Deze tests omvatten een validatieproces in meerdere fasen. Ons complexe beoordelingssysteem is gebaseerd op honderden goed onderbouwde metingen en benchmarks, waardoor de objectiviteit behouden blijft. Meer informatie over onze testmethoden kunt u hier vinden.























